Special Effects From A Six Pack

by Terry Cobb (University of Maryland, Balti.Co.)

A common requirement for the production of a musical is the scenic piece surrounded with "chaser" lights. Although the lamps, sockets, and wiring are a relatively simple mater, the control of the combined wattage of all those light bulbs often is not so simple. Affordable commercial chaser controls will typically control only a few hundred watts per channel. If the budget is large enough there is no problem. Usually, however, the budget is being stretched much father that it should and methods are turned to that can be at best undependable, and at worst, dangerous.

An elegant solution is to take an extra portable remote controlled dimming unit ( or one that is used for other purposes if practical), do a minor external wiring modification, add a small, simple sequencer, and voila! A 2400 watt per channel chase controller. The following description will work with most any "analog" remote control design (this means a separate control wire for each dimmer) with modification.

In general, analog remote dimmer control consists of supplying the dimmer with a DC voltage varying from 0 volts to some positive voltage (typically 10,12,14,28, and 36 volts, it doesn't matter). Construction of the interface required a male and female connector of the type used by the system or an extension cable that be cut. First determine what each wire does. Generally, the wires from pins numbered 1 through 6 will be control voltages for dimmers 1 through 6 respectively. There is no consistent in assignment for the rest of the connector. Determine which of the remaining pins go to ground. The control voltage wires are then cut, the others must remain intact. A ten kilohm resistor is connected to the cut ends of each wire and soldered in place. This and the remainder of the interface should be added so that the collector lead of the transistor is connected to the dimmer end of the 10k resistor, the emitter lead is connected to the ground wire, and the base lead is available for control by the sequencer device.

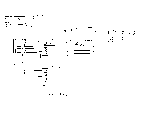
The sequencer device, which can be built onto the same circuit board, consists of a voltage regulator, a 555 general purpose timer, two 7474 D-type Flip-Flop circuits, and a few support components wiring. The 100k pot should be mounted in the case so that the speed can be controlled externally, also an on/off switch should be in the case. If desired, LED's can be added to mimic the progress of the chase.

Notice from the drawing that several connections are not made. These are the preset and clear pin that set the channel either on or off when it is turned on. The operation is such that a connection to clear sets the channel to off and a connection to preset sets the channel to on. Leave the other pin for each channel open. Thus, connecting channel 1 preset and channel 2,3,4 clear to the set point of the circuit (the open wire on the drawing that says "see text") will create a chaser with 1 bulb on and 3 off, etc.

Pins 2 and 10 are the input pins for 1/3 and 2/4. Pins 7 and 9 are outputs for 1/3 and 2/4 respectively. So it is possible to change the number of channels by adding chips and not using one of the flip-flips on a chip. The in and outs are connected daisy-chain fashion so that the preset is passed from one flip-flop to another in a circle. The actual output is an inverted output so that the output has less chance of interfering with the data.

One of the neat things about this interface method is that when the unit is turned off the dimmers can be operated normally, as if the wiring had not been changed. Even while the chaser control is in use the normal faders on the controller can be used to control the overall lamp level.

[diagram]